
GPS授時技術就是利用接收機接收衛星不斷發出的時鐘參數,GPS接收機接收后發送給單片機再傳給液晶顯示,而單片機如何從接收機中提取出我們需要的事件信息就是該部分的關鍵,因此了解與解析協議格式關系到整個授時功能的實現。 上位機程序主要作用是實現對下位機...
2022
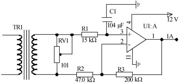
數據采集設計中配電參數采集主要是三相電壓、電流等信號的采集;首先,采集電路采集到變壓器低壓側的電壓和電流量;然后,通過調理運放電路并經過模數轉換芯片進行模數轉換;最后,傳送給單片機進行數據處理;對輸入信號要求是單極性,電壓范圍為0~5 V;為防止信...
2022
電力公司和能源設施對時間和頻率有嚴格的要求,以便有效的傳送和分配動力。然而,由于目前我國配電變壓器分布散落,使得它們在各自的時鐘下工作造成系統時鐘失去同步,進而對整個電力網的時間同步造成嚴重影響,比如不斷出現的停電事故就是因為電網時間的不同步;此外,...
2022
精密晶體及其振蕩器在時頻測控方面是應用數量最多的頻率源,其中的恒溫晶體振蕩器ocxo和溫度補償晶體振蕩器TCXO是具有較高附加值的頻率控制器件,已被普遍應用于***院所、空管***、測量、電力、通訊等各個領域,作為關鍵器件而具有很大的發展潛力。同時,不...
2022
時至今日,時頻分析方法至今已經歷了近70年的發展,在這些年的發展過程中,為解決不同的問題,形成了多個分支,演變成了多種形式。但總體來看,目前時頻分析方法可分為三類:一是以能量分布方法為主,這類以Cohen類為代表;二是原子分解方法.主要以Gabor...
2022
在傅里葉變換提出來以前,人們對信號進行觀察與分析只能夠從時域角度進行,時域角度進行信號處理具有直觀的特點,對信號的幅度變化特征能夠進行較好的描述,但這種方法具有抗噪性能差的特點。 在1822年,傅里葉變換理論被提出,自此人們獲得了能夠從另外一個角度...
2022
掃一掃咨詢微信客服